Prokona
PROKONA-REF-Fertigungsdokumentation
http://www.prokona.de/Fertigungszeichnungen.html

© 2023 Prokona
 

Fertigungszeichnungen - Referenzen:

Förderband für Kies Steine - 250 m - technische Zeichnungen

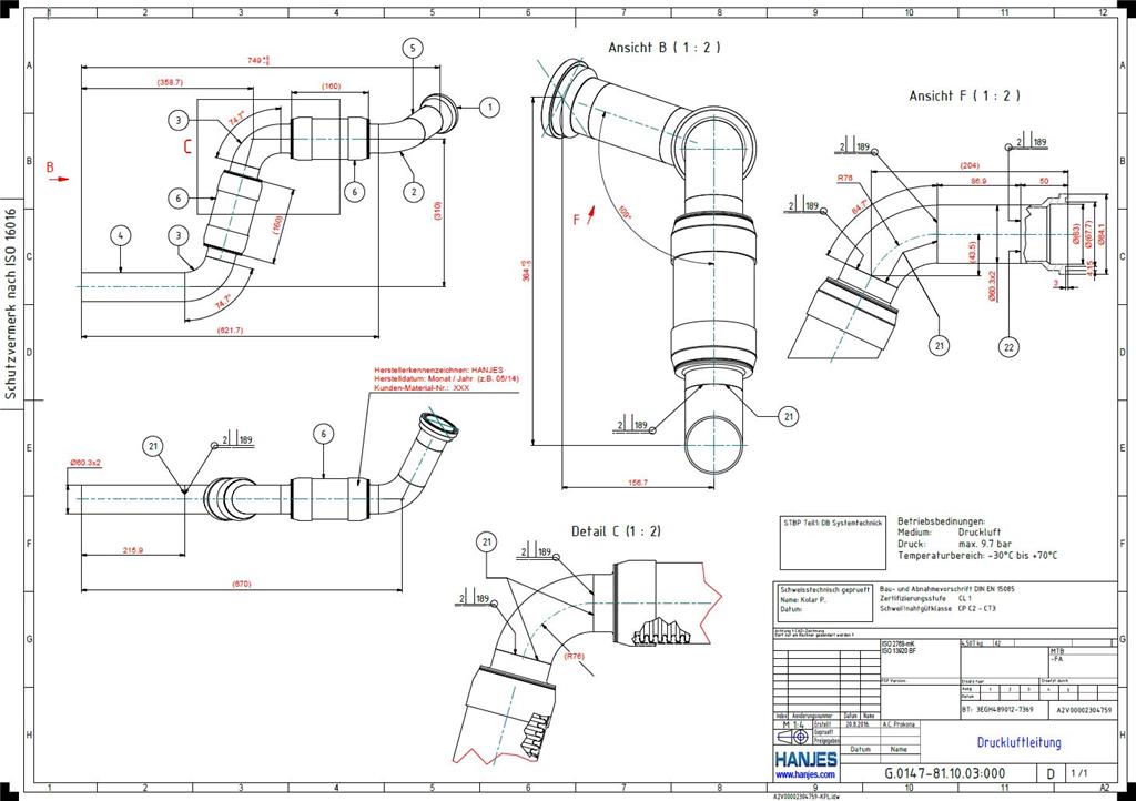
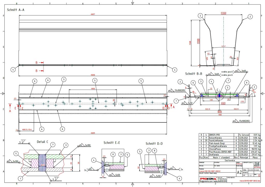
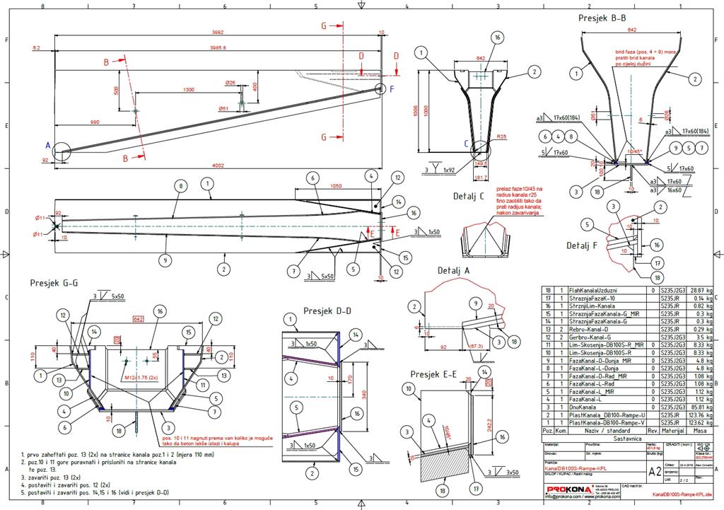
Betonschalungen für "Jersey" Barrieren

 

Basierend auf alten und unvollständigen Zeichnungen haben wir eine komplett neue technische Dokumentation für einen 250 m langen Kiesförderer erstellt.

  • Fertigungszeichnungen - Montagebaugruppen, Schweißzeichnungen, Einzelteile (PDF / DWG)
  • Excel Stückliste  (Einkaufswaren, Blechteile, Bearbeitungteile)
  • DXFs von Blechteilen
  • Autodesk Inventor

"Betonschalungen" für 6 m "Jersey" Barrieren

Betonschalungen für "Jersey" Barrieren

Konstruktion und Herstellung von komplette Fertigungsdokumentation für verschiedene Schalungen für "Jersey" Barrieren:

  • Fertigungszeichnungen (Montagebaugruppen, Schweißzeichnungen, Einzelteile) (PDF/DWG)
  • 3D explodierte Zeichnungen
  • Excel Stücklisten
  • DXF-s von Blechteilen (genaue Blech Abwicklung)  
  • Inventor / SolidWorks / Acad

       

Treppen, Geländern und Hallen

Fertigungszeichnung - Halle

Anfertigung von technischen Zeichnungen für Treppen, Treppen, Geländern und Hallen  der Basis statistischer Berechnungen.

  • Detaillierte PDF und DWG Zeichnungen von Baugruppen und Teilen
  • DXF-s von Blechteilen, STEPs von 4kr und und Rundrohren für Laserschneiden
  • Excelstückliste

     

Diverse Baugruppen

Fertigungsdokumentation:

  • Fertigungszeichnungen, DXFs,
  • Blechabwicklung und Stücklisten

         

"Schnekügel" für Historisches Museum Fankfurt

"Schnekügel"

Herstellung des Ausführungszeichnungen nach Entwurfsplanung für Firma Accentform


Schnnekugel - fertig instaliert image credit: www.kossmanndejong.nl      

Abräumwagen

Fertigungszeichnung - Abräumwagen

Herstellung des Fertigungszeichnungen nach Muster 

  • Fertigungszeichnungen
  • dxf-s für Laser
  • verschiedene Typen

   
 

| PROKONA, Hrupine 7B, HR-40323 Prelog, KROATIEN (EU) | USt.-ID.-Nr.: HR37258577601 |

| +385 40 295 398 | +385 98 426 457 | info@prokona.com |

 | www.prokona.com | www.prokona.eu | www.prokona.de |